
一、概述
移动式骨料散装机 移动式熟料散装机 石灰石散装机 熟料装船机 骨料装船机是从库内将熟料(≤50mm)自动输送到熟料散装车船的设备。库底水泥熟料散装设备(见图一)主要用手动棒阀,电动扇形阀、卷扬装置,伸缩卸料装置、收尘软管,电容式限位开关,电控系统等部分组成。
二、技术参数表
| 技术性能 | 技术参数 | ||
| 输送物料 | 水泥熟料或类似块状物料 | ||
| 物料容重 | 熟料1.45t/m3 | ||
| 物料温度 | ≤80℃ | ||
| 物料粒度 | ≤50(mm) | ||
| 装车能力 | 200t/h | ||
| 卸料头伸缩距离 | 根据用户要求定制 | ||
| 手动棒阀 | 790X790mm | 410X410mm | |
| 电(气)动扇形阀(振动给料机) | DZG1103 2X1.1kw | 电液推杆:DTY700-400/100 | |
| 卷扬机 | CD1-180 功率:3KW 升降速度:8M/S | ||
| 电容式(音叉)限位开关 | FTC131探头规格:Φ20X400 工作压力:10bar 工作温度:-40℃ C-200℃ (FTM探头规格:Φ20X230 加长170mm 工作压力:10bar) | ||
| 装机功率 | -5.2kw | -4.5kw(-3kw) | |
| 参照图 | 示意图一 | 示意图二 | 示意图三 |
| 机型 | 库底 | 库底 | 库侧 |
注:移动式骨料散装机 移动式熟料散装机 石灰石散装机 熟料装船机 骨料装船机可以通过改变材质来满足用户物料温度,物料粒度的要求。
三、工作原理
当运输工具进入装料位置后,打开棒阀相应的棒条数量。按住控制柜的“下降钮”,下料头到位后会自动断开降电机电源,按“装车钮”进入卸料状态,辅助配套设备会相应开始工作,卸料产生的灰尘通过下料斗,由伸缩收尘软管进入收尘器净化,当下料头的物料装满时,下料头边上升,边报警,上升距离要在装料前设置,若上升距1米,则将时间继电器的时间调为T=I/V。在上升过程中装料始终在进行,当下料料满时,再重复上述动作,到达料满位置后,按停车钮,使电振机反制动,或关闭扇形阀停止下料。停车后可按上升按钮让下料斗离开物料一定距离,确保运输工具的移位,再对准第二个卸料工位。直到整个料仓装满为止。
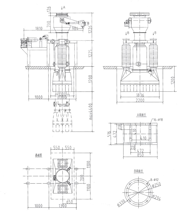
库底移动式骨料散装机 移动式熟料散装机 石灰石散装机 熟料装船机 骨料装船机示意图(图一)

| 物料种类 | 熟料 | 物料容重 | Y=1.25t/m3 | |||||
| 物料温度 | ≤90℃ | 物料粒度 | ≤150mm | |||||
| 装车能力 | 220t/h | 散装头伸缩距离 | 4400mm | |||||
| 振动给料机 | 型号 | DZG1103# | ||||||
| 功率 | 2X1.lKW | |||||||
| 额定电压 | 4.7A | |||||||
| 额定电流 | 5000N | |||||||
| 卷扬机 | 型号 | CD12—18D | ||||||
| 起升速度 | 8m/min | |||||||
| 额定起重量 | 20000N | |||||||
| 额定电压 | 380V | |||||||
| 功率 | 3kw | |||||||
| 电容式 物位开关 | 型号 | FTC131 | 最大压力 | 10bar | ||||
| 电压 | 20V AC | |||||||
| 探头规格 | Φ25 X400 | 温度 | -20~80℃ | |||||
| 静载荷 | 动载荷 | ||
| F1 | 垂直方向 | 3.72KN | ±0.110kN |
| 水平方向 | ±0.120kN | ||
| F2 | 垂直方向 | 6.36KN | ±0.110kN |
| 水平方向 | ±0.120kN | ||
| F3 | 垂直方向 | 7.2KN | ±2.0kN |
| 水平方向 | |||
| F4 | 垂直方向 | 7.8KN | ±2.0kN |
| 水平方向 | |||
| F5 | 垂直方向 | ±3.0KN | ±0.75kN |
| 水平方向 |
技术要求:
1.钢丝绳端部固定在卷扬机筒中,应牢固以防脱落
2.调整好钢丝绳,避免散装头在提升或降落时不稳发生倾斜
3.安装后所有滑轮都要轮动灵活
4.收尘能风量为2X3000m3/h
库底移动式骨料散装机 移动式熟料散装机 石灰石散装机 熟料装船机 骨料装船机示意图(图二)

库底移动式骨料散装机 移动式熟料散装机 石灰石散装机 熟料装船机 骨料装船机示意图(图三)

移动式骨料散装机 移动式熟料散装机 石灰石散装机 熟料装船机 骨料装船机安装示意图
| 设备基础及埋件载荷 1.提升装置:FV=5KN×1.5 FH=20KN×2 2.进料口法兰:FV=50KN 3.散装头基础:FV=4×10KN×15注四个柱脚止均为:10KN×1.5(系数) FV垂直载荷 FH为水平载荷 |
主要技术参数 1.最大卸料能力:200-300T/H 2.物料最大粒度:小于50mm 3.物料最高温度:小于150° 4.含尘气体排放量:4500m3/h 5.提升电机功率:2.2-3KW 6.设备自重:3000kg |
















